Back 

Links - 
   
Building Floor Plan
    Elevator Notes

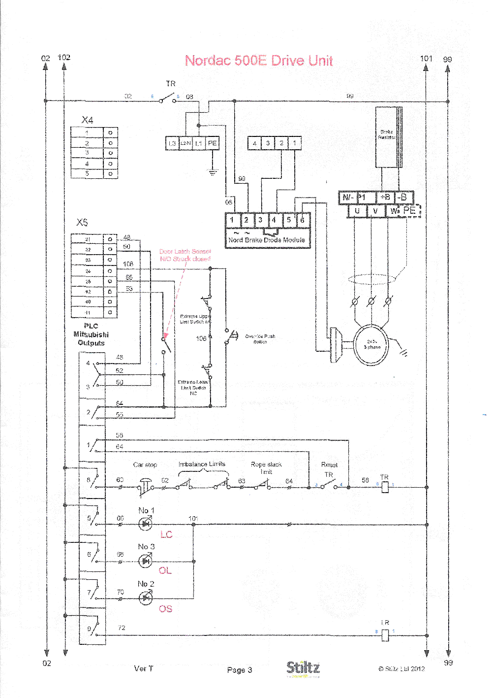
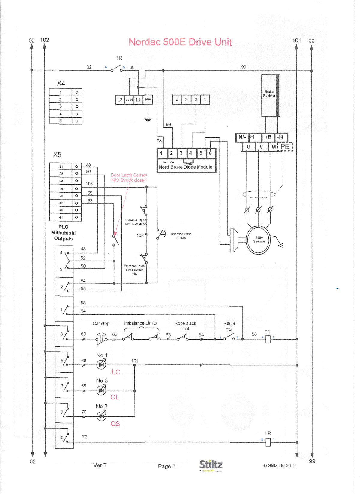
STILTZ Elevator Schematics - 2016



Click /tap images to enlarge

The cabin lights are powered by the Battery...

 


Page by @Com